Разделы бренда:
Поможем
с подбором

Проверим совместимость, наличие, аналоги и сроки поставки.

  • под интерьер и задачу
  • по наличию и срокам
  • с аналогами и заменами
  • с расчётом поставки
Позвоните мне 8 (800) 775-04-72

179002066 Roger Pradier Cooper N°1 OPALE ROOD 066 Накладное бра

Привезём из Европы
настенное бра бордового цвета с металлическим отражателем
Roger Pradier
Код товара: #554918
(3)

Рассчитаем стоимость — пришлите спецификацию

🆔 Настенное бра бордового цвета с металлическим отражателем красный Cooper by Roger Pradier
Артикул
179002066
Производитель
📌  Основная информация
Название типа:
настенное бра бордового цвета с металлическим отражателем
Дизайнер:
Stéphane Joyeux
💡  Свет и лампы
Количество ламп:
1
Лампы в комплекте:
No
Цветовая температура, K:
Depends on lamp used
🔧  Технические параметры ламп
Тип цоколя лампы:
E27
⚙️  Электротехнические характеристики
Степень защиты IP:
IP65
🎨  Материалы и цвета
Материалы:
Алюминий; Стекло
Форма:
Круглый
Цвет плафона (рассеивателя):
Opal glass
Цвет:
красный
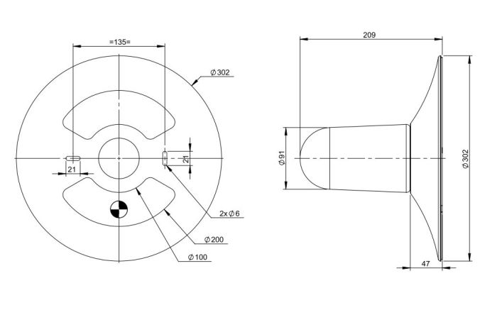
📐  Габариты и размеры
Выступ, мм:
209
Диаметр, мм:
302
Масса нетто:
2,12
Товар относится к категориям: Уличные настенные светильники